Philips BHL 250 L307 230 240V 50Hz BC2-134
Waarom kan ik geen beschikbaarheid of prijzen zien?
Je kunt de beschikbaarheid en onze lage prijzen alleen zien als je inlogt. Je kunt wel ons assortiment verkennen. Nog geen klant? Vraag jouw account aan door te registreren.
Specificaties
Reset
Algemene informatie
| Aanbevolen aantal | 6 |
|---|
Algemene informatie
| Artikelnummer | 180303 | |
|---|---|---|
| EAN | 8711500881588 | |
| EOC FR | 881588 | |
| Merk | Philips | |
| Fabrikantnaam | BHL 250 K307-A2 230/240V 50Hz BC2-134 | |
| Garantie | 1 jaar |
Technische Informatie
| Technologie | Accessory | |
|---|---|---|
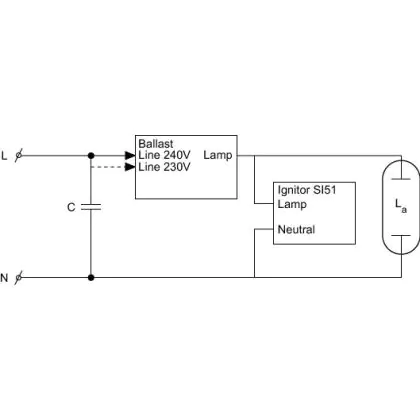
| Geschikt voor lamptype | HPI, HPL, SON-H | |
| VSA voor lamptype | HPI, HPL, SON-H | |
| Maximale Wattage Lamp | 250 | |
| Aantal benodigde lampen | 1 | |
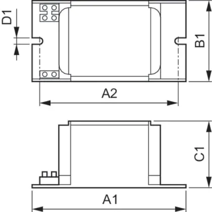
| Type assesoires | Ballast |
Sensor Informatie
| Sensortype | Geen sensor |
|---|