Philips HF-R 158 TL-D EII 220-240V
Waarom kan ik geen beschikbaarheid of prijzen zien?
Je kunt de beschikbaarheid en onze lage prijzen alleen zien als je inlogt. Je kunt wel ons assortiment verkennen. Nog geen klant? Vraag jouw account aan door te registreren.
Specificaties
Reset
Algemene informatie
| Aanbevolen aantal | 12 |
|---|
Algemene informatie
| Artikelnummer | 180445 | |
|---|---|---|
| EAN | 8711500910172 | |
| EOC FR | 910172 | |
| Merk | Philips | |
| Fabrikantnaam | HF-R 158 TL-D EII 220-240V 50/60Hz | |
| Levensduur (uur) | 0 | |
| Garantie | 1 jaar |
Technische Informatie
| Technologie | Accessory | |
|---|---|---|
| Wattage | 0 | |
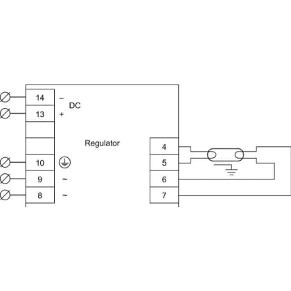
| Voorschakelapparaat | Elektronisch (HF) zonder starter | |
| VSA voor lamptype | TL-D | |
| Geschikt voor lamptype | TL-D | |
| Maximale Wattage Lamp | 58 | |
| Armatuur Aansluiting | Wago 251 | |
| Dimbaar | 1-10V Dimbaar | |
| Type assesoires | Ballast | |
| Aantal benodigde lampen | 1 |
Sensor Informatie
| Sensortype | Geen sensor |
|---|