Philips HID-HeavyDuty BSN 70 L33-TS 230V 50Hz HD1-118
Waarom kan ik geen beschikbaarheid of prijzen zien?
Je kunt de beschikbaarheid en onze lage prijzen alleen zien als je inlogt. Je kunt wel ons assortiment verkennen. Nog geen klant? Vraag jouw account aan door te registreren.
Grotere hoeveelheid nodig?
Specificaties
Reset
Algemene informatie
| Aanbevolen aantal | 6 |
|---|
Algemene informatie
| Artikelnummer | 180348 | |
|---|---|---|
| EAN | 8711500059680 | |
| EOC FR | 059680 | |
| Merk | Philips | |
| Fabrikantnaam | BSN 70 L33-A2-TS 230V 50Hz HD1-118 | |
| Garantie | 1 jaar |
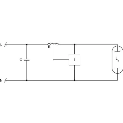
Technische Informatie
| Technologie | Accessory | |
|---|---|---|
| Geschikt voor lamptype | CDO, HPI, MH, SON | |
| Voorschakelapparaat | Elektronisch (HF) zonder starter | |
| VSA voor lamptype | CDO, HPI, MH, SON | |
| Maximale Wattage Lamp | 70 | |
| Aantal benodigde lampen | 1 | |
| Type assesoires | Ballast |
Sensor Informatie
| Sensortype | Geen sensor |
|---|